English
Español
Português
русский
Français
日本語
Deutsch
tiếng Việt
Italiano
Nederlands
ภาษาไทย
Polski
한국어
Svenska
magyar
Malay
বাংলা ভাষার
Dansk
Suomi
हिन्दी
Pilipino
Türkçe
Gaeilge
العربية
Indonesia
Norsk
تمل
český
ελληνικά
український
Javanese
فارسی
தமிழ்
తెలుగు
नेपाली
Burmese
български
ລາວ
Latine
Қазақша
Euskal
Azərbaycan
Slovenský jazyk
Македонски
Lietuvos
Eesti Keel
Română
Slovenski
मराठी
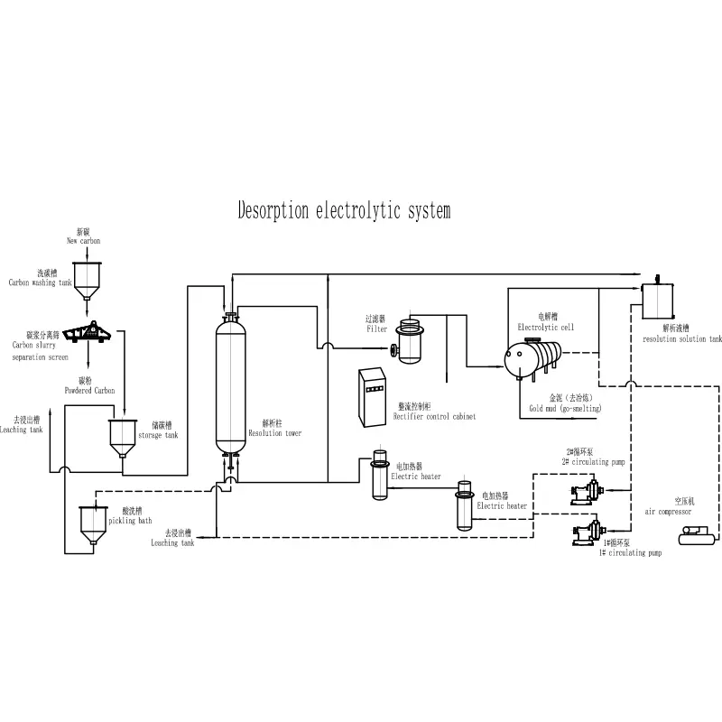
Srpski језик Sistemul electrolitic de desorbție este o tehnologie crucială în extracția modernă a aurului, în special în procesele carbon-in-pulp (CIP) și carbon-in-leach (CIL). Acest blog explorează cum funcționează sistemul, componentele sale, avantajele și de ce a devenit un standard în recuperarea eficientă ......
Citeşte mai multClasificatorul în spirală scufundat este o componentă vitală în prelucrarea mineralelor, care îmbunătățește separarea și clasificarea particulelor în diverse industrii. În acest articol, vom explora funcția, avantajele și aplicațiile clasificatoarelor cu spirală scufundate, precum și modul în care s......
Citeşte mai multRezervoarele de agitare pentru levigare sunt echipamente esențiale în industria minieră, în special pentru extragerea metalelor valoroase din minereuri prin procese de leșiere. În acest blog, vom explora importanța, principiul de funcționare și diferitele tipuri de rezervoare de agitare pentru leșie......
Citeşte mai multUn clasificator cu spirală scufundat este un echipament critic în prelucrarea mineralelor, conceput pentru a separa particulele în funcție de dimensiune și densitate prin sedimentare gravitațională și mișcare mecanică. Utilizată pe scară largă în minerit, spălarea nisipului și sistemele de clasifica......
Citeşte mai multDispozitivul de îngroșare circulară cu plăci înclinate de mare viteză (CHRIPT) este o piesă esențială a echipamentului utilizat în industria minieră și de prelucrare a mineralelor. Cunoscut pentru capacitatea sa de a separa eficient solidele de lichide, acest agent de îngroșare este crucial în indus......
Citeşte mai multCelula de flotație cu spumă cilindrică revoluționează procesarea mineralelor cu designul său optimizat, ratele de recuperare îmbunătățite și performanța eficientă din punct de vedere energetic. Acest ghid cuprinzător explorează modul în care celulele de flotație cilindrice diferă de modelele tradiți......
Citeşte mai mult