Ce este un sistem electrolitic de desorbție și de ce este esențial pentru extracția modernă a aurului

2026-04-21 - Lasă-mi un mesaj

TheSistem electrolitic de desorbțieeste o tehnologie crucială în extracția modernă a aurului, în special în procesele carbon-in-pulp (CIP) și carbon-in-leach (CIL). Acest blog explorează cum funcționează sistemul, componentele sale, avantajele și de ce a devenit un standard în recuperarea eficientă a aurului. Subliniem, de asemenea, cum le plac companiileEPICstimulează inovația în acest domeniu. Până la sfârșit, veți avea o înțelegere cuprinzătoare a modului în care acest sistem îmbunătățește productivitatea, reduce costurile și îmbunătățește ratele de recuperare.

Desorption Electrolytic System

Cuprins


Ce este un sistem electrolitic de desorbție

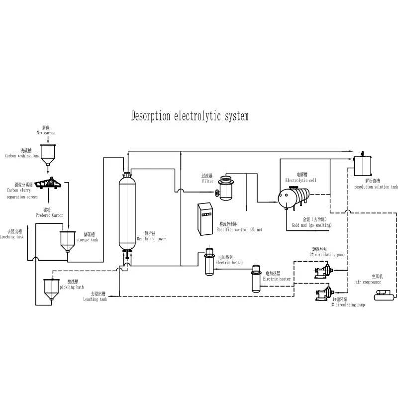
A Sistem electrolitic de desorbțieeste un sistem avansat de recuperare a aurului folosit pentru extragerea aurului din cărbune activ. Este aplicat pe scară largă în operațiunile miniere în care aurul este absorbit pe particulele de carbon în timpul procesului de leșiere.

  • Desorbție: Îndepărtează aurul din carbon folosind soluții de temperatură înaltă și de înaltă presiune
  • Electroliza: recuperează aurul din soluție pe catozi
  • Sistem cu buclă închisă: asigură eficiență și pierderi minime

Acest sistem este esențial pentru îmbunătățirea eficienței recuperării și reducerea costurilor operaționale, făcându-l o componentă de bază în fabricile moderne de prelucrare a aurului.


Cum funcționează un sistem electrolitic de desorbție

Principiul de funcționare al aSistem electrolitic de desorbțiepresupune două etape principale:

  1. Etapa de desorbție:Carbonul încărcat cu aur este tratat cu o soluție fierbinte de cianură alcalină, eliberând ioni de aur.
  2. Etapa de electroliză:Soluția bogată în aur trece printr-o celulă electrolitică unde aurul se depune pe catozii din vată de oțel.

Procesul asigură o eficiență ridicată și permite funcționarea continuă, motiv pentru care sistemele companiilor le placEPICsunt larg adoptate în aplicații industriale.


Componentele principale ale sistemului

Componentă Funcţie
Coloana de desorbție Ține cărbunele activ și facilitează îndepărtarea aurului
Celulă electrolitică Recuperează aurul prin electroliză
Schimbător de căldură Menține temperatura necesară
Sistem de filtrare Îndepărtează impuritățile din soluție
Sistem de control Automatizează funcționarea și monitorizează parametrii

Fiecare componentă joacă un rol vital în asigurarea funcționării sistemului eficient și consecvent.


Avantaje și caracteristici tehnice

  • Rată ridicată de recuperare a aurului (până la 98%)
  • Consum redus de energie
  • Funcționare automată pentru costuri reduse cu forța de muncă
  • Design compact pentru eficientizarea spațiului
  • Ecologic cu emisii minime

Producătorii caEPICoptimizați continuu aceste sisteme pentru a satisface cerințele în continuă evoluție a industriei, asigurând performanță și fiabilitate mai bune.


Aplicații în prelucrarea aurului

TheSistem electrolitic de desorbțieeste utilizat pe scară largă în:

  • Uzini de minerit de aur
  • Operațiuni CIP (Carbon-in-Pulp).
  • Procese CIL (Carbon-in-Leach).
  • Recuperarea sterilului de aur

Versatilitatea sa îl face potrivit atât pentru minerit industrial pe scară largă, cât și pentru operațiuni mai mici care caută îmbunătățiri ale eficienței.


Comparație cu metodele tradiționale

Caracteristică Sistem electrolitic de desorbție Metode tradiționale
Eficienţă Ridicat Moderat
Automatizare Complet automatizat Manual sau semi-automat
Cost Costuri mai mici pe termen lung Cost operațional mai mare
Impactul asupra mediului Scăzut Superior

În mod clar, sistemul modern oferă avantaje semnificative față de tehnicile tradiționale de recuperare a aurului.


Ghid de selecție pentru cumpărători

La alegerea unuiSistem electrolitic de desorbție, luați în considerare următorii factori:

  • Capacitate de procesare
  • Nivel de automatizare
  • Eficiență energetică
  • Reputația producătorului (de exemplu, EPIC)
  • Suport post-vânzare

Selectarea sistemului potrivit asigură succesul operațional pe termen lung și rentabilitatea maximă a investiției.


Sfaturi de întreținere și operare

  • Inspectați regulat conductele și supapele
  • Monitorizați temperatura și nivelurile de presiune
  • Curățați periodic celulele electrolitice
  • Înlocuiți prompt componentele uzate
  • Urmați cu strictețe instrucțiunile producătorului

Întreținerea corespunzătoare prelungește semnificativ durata de viață a sistemului și asigură o performanță constantă.


FAQ

1. Care este scopul principal al unui sistem electrolitic cu desorbție?

Scopul său principal este extragerea și recuperarea eficientă a aurului din cărbune activ.

2. Cât de eficient este sistemul?

Majoritatea sistemelor ating o rată de recuperare a aurului de peste 95%, în funcție de condițiile de funcționare.

3. Este sistemul ecologic?

Da, sistemele moderne sunt concepute pentru a minimiza emisiile și a reduce deșeurile chimice.

4. Poate fi personalizat?

Da, companii precum EPIC oferă soluții personalizabile bazate pe cerințele de procesare.

5. Ce industrii folosesc acest sistem?

În primul rând industria minieră a aurului, dar și în aplicațiile de recuperare a metalelor prețioase.


Concluzie

TheSistem electrolitic de desorbțiereprezintă o descoperire în tehnologia de recuperare a aurului, oferind eficiență, fiabilitate și performanță de mediu de neegalat. Cu progrese continue din partea liderilor din industrie precumEPIC, acest sistem devine din ce în ce mai esențial pentru operațiunile miniere moderne. Dacă doriți să vă optimizați procesul de extracție a aurului și să îmbunătățiți profitabilitatea, investiția într-un sistem de înaltă calitate este o alegere inteligentă.Contactaţi-neastăzi pentru a afla mai multe despre cum putem oferi soluții personalizate pentru nevoile dumneavoastră.

Trimite o anchetă

X
Folosim cookie-uri pentru a vă oferi o experiență de navigare mai bună, pentru a analiza traficul site-ului și pentru a personaliza conținutul. Prin utilizarea acestui site, sunteți de acord cu utilizarea cookie-urilor. Politica de confidențialitate