Cum îmbunătățește echipamentul de cianurare recuperarea aurului și siguranța șantierului?

2026-01-08 - Lasă-mi un mesaj

Dacă ați simțit vreodată că cianurarea este „eficientă, dar stresantă”, nu vă imaginați. Chimia funcționează – totuși, realitatea de zi cu zi poate fi dezordonată: minereu variabil, cheltuirea excesivă a reactivilor, pierderi de carbon, timp neașteptat de neașteptat și presiunea constantă pentru a funcționa în siguranță și în mod constant. Acest articol descompune ceEchipamente de cianurarear trebui să facă de fapt pentru dvs., ce să întrebați înainte de a cumpăra și cum să evitați cele mai scumpe greșeli.


Abstract

ModernEchipamente de cianurarenu este doar un set de rezervoare - este un sistem conectat conceput pentru a controla condițiile de leșiere, pentru a stabiliza recuperarea, a reduce risipa de reactiv și a menține manipularea cianurii previzibilă. Cumpărătorii se confruntă de obicei cu patru puncte dureroase: recuperare inconsecventă, costuri de operare ridicate, controale slabe de siguranță și dureri de cap de întreținere. Mai jos, veți obține o vedere practică a modulelor de cianurare (leșiere, adsorbție, desorbție/electrowinning, detoxifiere și instrumentare), o matrice de selecție, sfaturi de punere în funcțiune și o secțiune de întrebări frecvente pe care o puteți folosi în timpul conversațiilor cu furnizorii.


Cuprins


Contur dintr-o privire

  • Traduceți „Am nevoie de cianurare” într-un echipament complet, controlabil.
  • Identificați ce modul vă provoacă pierderile (recuperare, reactiv, carbon sau timp de nefuncționare).
  • Utilizați o matrice simplă pentru a compara soluțiile pentru tipul și constrângerile dvs. de minereu.
  • Intrați la întâlnirile cu furnizorii cu o listă de verificare care expune rapid modelele slabe.

Punctele de durere ale cumpărătorului real

Când oamenii fac cumpărăturiEchipamente de cianurare, ei spun adesea „Am nevoie de o recuperare mai mare”. Ceea ce înseamnă de obicei este: „Am nevoie de o recuperare care să rămână ridicată chiar și atunci când minereul se schimbă, operatorii se rotesc și amplasamentul este îndepărtat”. Iată punctele dureroase care apar din nou și din nou:

  • Leagăne de recuperarecauzate de variabilitatea minereului, probleme de măcinare, limitări de oxigen sau control slab al pH-ului.
  • Creșterea costului reactivuluide la supradozajul cu cianură sau var „doar pentru a fi în siguranță”.
  • Probleme de carboncum ar fi murdărirea, pierderea prin uzură sau cinetica slabă de adsorbție.
  • Timp de nefuncţionarede la defecțiuni ale pompei/supapei, uzura nămolului abraziv sau configurații greu accesibile.
  • Stresul de siguranțăîn jurul depozitării, dozării și pregătirii pentru răspunsul de urgență a cianurii.

Designul bun al echipamentului nu înlătură toată complexitatea, dar ar trebui să înlăture presupunerile.


Ce include „Echipamentul de cianurare”.

Cyaniding Equipment

Cel putin,Echipamente de cianurarear trebui înțeles ca un sistem care suportă următoarele funcții:

  • Leşierea: asigură timpul, amestecarea și controlul chimiei pentru dizolvare.
  • Captură de aur: adsorbție pe cărbune activ (CIP/CIL) sau pe căi de precipitare.
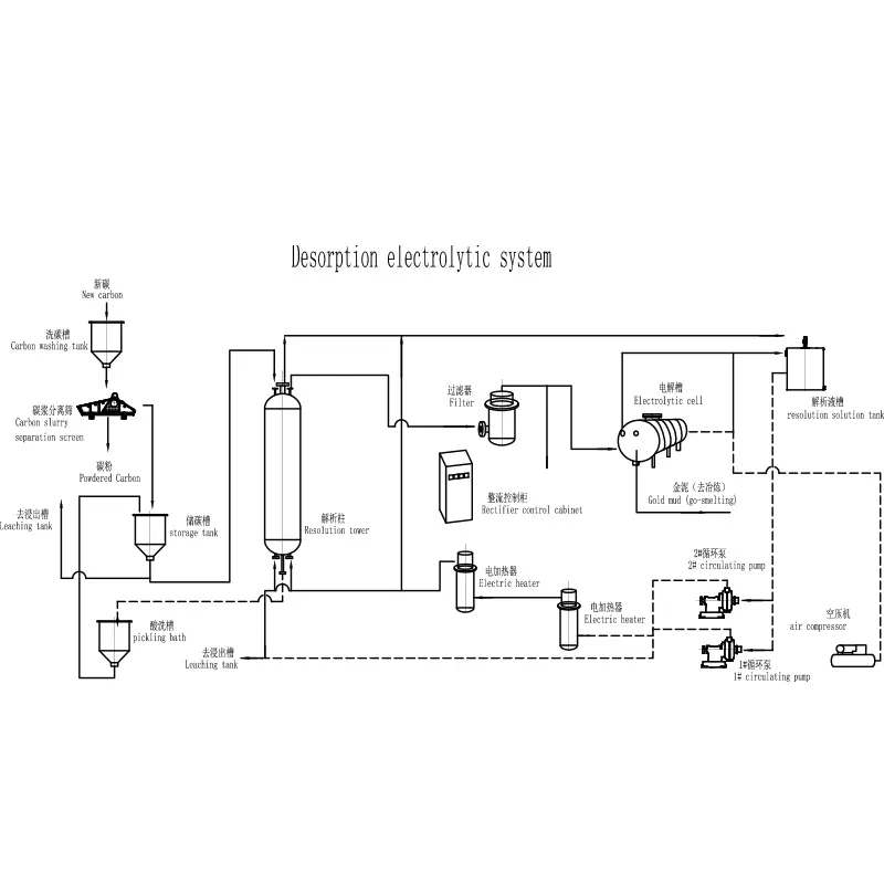
  • Recuperarea aurului: desorbtie si electrowinning (sau circuite alternative de recuperare).
  • Detoxifiere și manipulare a sterilului: reduceți cianura reziduală la niveluri acceptabile.
  • Instrumentare și control: măsurați și stabilizați pH-ul, oxigenul dizolvat, debitul și dozarea.

Dacă un furnizor vorbește doar despre „rezervoare”, împingeți-i să definească întregul flux și punctele de control. Cianurarea este iertătoare în condiții de laborator; nu este iertător în condiții haotice de câmp.


O hartă clară a procesului de la Ore la Doré

În timp ce fiecare plantă diferă, majoritatea rutelor de cianurare urmează o coloană vertebrală recunoscută. Utilizați această hartă pentru a verifica dacă un pachet propus este complet:

Etapă Ce trebuie să realizeze Risc „ascuns” tipic
Pre-tratament (după caz) Faceți aurul accesibil și preveniți creșterile consumului de cianură Ignorând preg-robing, cupru ridicat sau sulfuri reactive
Leşierea Amestecare stabilă, pH controlat și oxigen suficient Zone moarte, transfer slab de oxigen, pH neregulat din sistemul slab de calcar
Adsorbție (CIL/CIP) Capturați eficient aurul dizolvat Dimensiunea/metoda de transfer greșită a carbonului; pierderi de carbon
Elutie/Desorbtie Îndepărtați fiabil aurul de carbon Încălzirea/debitul inconsecvent duce la o eficiență scăzută de decapare
Electroobținerea / Topirea Recuperați și produceți doré Celule subdimensionate, management slab al electroliților, probleme de manipulare a nămolului
Detoxifiere Reduceți cianura reziduală înainte de descărcare/ steril Designul nu se potrivește cu variabilitatea debitului sau chimia sterilului

Modulele cheie și ce trebuie verificat

1) Rezervoare de leșiere și agitare

  • Este designul de amestecare potrivit pentru densitatea și abrazivitatea șlamului dvs.?
  • Poate sistemul să mențină pH-ul stabil sub variabilitatea minereului?
  • Este practică adăugarea de oxigen pe site-ul dvs. (și transferul de oxigen este luat în considerare în proiectare)?
  • Aspectul permite o inspecție ușoară a rotoarelor, căptușelilor și rulmenților?

2) Adsorbția și transferul carbonului

  • Sunt ecranele interstage suficient de robuste pentru a preveni transferul de carbon?
  • Transferul de carbon este conceput pentru a reduce ruperea și pierderile?
  • Este designul prietenos cu curățarea și controlul inventarului de carbon?

3) Desorbția și electrocâștigarea

  • Circuitul de eluție se potrivește așteptărilor tale de încărcare a carbonului?
  • Încălzirea și controlul debitului sunt stabile (nu sunt „dependente de operator”)?
  • Manipularea nămolului este planificată, nu improvizată?

4) Dozarea și măsurarea cianurii

  • Dozarea este automată cu interblocare sau pur manuală?
  • Care este planul de calibrare și întreținere a senzorilor într-un mediu real de mină?
  • Sunt punctele de eșantionare sigure și bine poziționate, sau o gândire ulterioară?

5) Detoxifiere

  • Designul de detoxifiere se bazează pe țintele dvs. de evacuare și pe chimia sterilului?
  • Poate face față vârfurilor pe termen scurt fără a forța oprirea?

Sfat practic:O propunere care pare mai ieftină pe hârtie împinge adesea costurile în operațiuni - cianură suplimentară, var suplimentar, forță de muncă suplimentară de întreținere și un comportament mai „eroic” al operatorului. Factura ajunge mai târziu.


Dimensiuni și specificații de bază

Nu trebuie să fiți metalurgist pentru a pune întrebări de dimensionare care vă protejează bugetul. PentruEchipamente de cianurare, logica dimensionării de bază se învârte în jurul debitului, timpului de rezidență și transferului de masă. Înainte de a accepta orice proiect final, asigurați-vă că aceste intrări sunt menționate în mod explicit:

  • Debitul de proiectare(medie și vârf, plus variabilitatea sezonieră așteptată).
  • Dimensiunea țintă de măcinareși ce se întâmplă dacă moara derivă mai grosieră.
  • Timpul de rezidență a leșiiși dacă se bazează pe teste sau ipoteze.
  • Planul de pH și alcalinitate(inclusiv prepararea varului și stabilitatea dozării).
  • Strategia oxigenului(aer, oxigen sau deloc) și impactul așteptat asupra cineticii.
  • Inventarul de carbon(cât carbon, unde se află și cum este monitorizat).

Dacă un furnizor nu poate explica aceste lucruri într-un limbaj simplu, tratați-l ca pe un semnal de risc, nu ca pe un aspect tehnice.


Siguranța și controlul cianurii care de fapt rezistă

Siguranța nu este un afiș pe perete. Cu cianurare, este încorporat în designul fizic și controlul de rutină. PuternicEchipamente de cianurarepachetele includ de obicei:

  • Depozitare și transfer limitatcu căi de scurgere clare și logica grupării.
  • Dozare interconectatăastfel încât cianura nu poate fi adăugată atunci când condițiile cheie nu sunt îndeplinite.
  • Design clar de eșantionarecare reduce riscul de expunere în timpul controalelor de rutină.
  • Pregătire pentru situații de urgențăca parte a setului de proceduri de operare, nu un document suplimentar.

Din perspectiva unui cumpărător, munca ta este simplă: forțați propunerea să arate exact cum interacționează oamenii cu sistemul. Unde stau ei? Ce se ating? Cum izolează echipamentele? Cum răspund la o defecțiune a etanșării pompei la ora 2 a.m.?


De unde vin cu adevărat costurile de exploatare

Dacă costul dvs. pe uncie crește, de obicei nu este un eșec dramatic - sunt mici scurgeri în sistem care se compun. În cianurare, cei mai frecventi factori de cost sunt:

  • Consumul de cianurădeterminat de minerale reactive, obiceiuri de supradozare sau bucle de control slabe.
  • Consumul de varcând controlul pH-ului este instabil sau chimia suspensiei nu este bine înțeleasă.
  • Pierderea de carbonprin uzură, probleme de ecran sau design slab de transfer.
  • Putere și întreținerede la supra-agitare, piese de uzură subproiectate și configurații greu de întreținut.
Simptom Cauza rădăcină probabilă Caracteristica echipamentului care ajută
Recuperarea scade atunci când minereul se schimbă instabilitate pH/OD; amestecare slabă; timp de ședere insuficient Agitație robustă, instrumentare de control mai bună, capacitate flexibilă a rezervorului
Cheltuielile cu cianură continuă să crească Supradozaj; minerale cu consum mare de cianură; măsurătoare slabă Dozare controlată, puncte de prelevare fiabile, interblocări mai inteligente
Inventarul de carbon se micșorează „misterios”. Eșecuri de ecran; pierderi de transfer; uzură Ecrane interstage durabile, design de transfer blând, contabilitate clară a carbonului
Opriri frecvente Piese de uzură, etanșare pompe, probleme de acces Materiale rezistente la uzură, acces întreținere, piese de schimb standardizate

Design de fiabilitate și întreținere

Cyaniding Equipment

Un circuit de cianurare poate părea „complet” și poate fi încă nesigur dacă întreținerea nu a fost proiectată. Întrebați cum abordează furnizorul:

  • Alegerea materialelorpentru zonele de șlam abraziv și zonele de contact cu cianura.
  • Accesla ecrane, rotoare, căptușeli, pompe și instrumente.
  • Strategia pieselor de schimbcare se potrivește cu realitatea site-ului dvs. (timpi de livrare, logistică, stocare).
  • Standardizarepentru a reduce numărul de articole de uzură unice.

În operațiunile de la distanță, „ușor de întreținut” poate valora mai mult decât „puțin mai eficient pe hârtie”.


Întrebări despre furnizori pe care ar trebui să le puneți

Utilizați această listă de verificare în întâlniri. Este conceput pentru a scoate rapid propuneri slabe, fără a transforma conversația într-o dezbatere.

  • Care riscuri sunt asumate și pentru care sunt proiectate în mod activ?
  • Care sunt intrările de proiectare pentru timpul de rezidență, intervalul de pH și strategia de oxigen?
  • Cum este controlată dozarea cianurii și ce se întâmplă în cazul defecțiunii senzorului?
  • Cum este prevenită și măsurată pierderea de carbon în operațiunile de rutină?
  • Care este planul de acces pentru întreținere pentru ecrane, agitatoare și pompe?
  • Care sunt verificările recomandate de către operator pe schimb și cum sunt făcute acestea în siguranță?
  • Ce asistență pentru punere în funcțiune este inclusă și ce instruire pentru operator este oferită?

Dacă evaluați furnizorii, vă poate ajuta să discutați cu un producător care poate furniza un pachet complet de cianurare și poate sprijini detaliile de integrare. De exemplu, Qingdao EPIC Mining Machinery Co.,Ltd.furnizează soluții de echipamente de prelucrare minieră în care pachetele de cianurare sunt considerate ca sisteme - leșiere, adsorbție, recuperare și control - mai degrabă decât un set deconectat de rezervoare.


FAQ

Ce face ca echipamentele de cianurare să fie „moderne” mai degrabă decât de bază?

Design-urile moderne se concentrează pe controlabilitate și repetabilitate: dozare stabilă, măsurare fiabilă, eșantionare mai sigură, protecție robustă la uzură și amenajări care reduc improvizația operatorului. Scopul este o recuperare constantă, cu mai puține deșeuri de reactiv și mai puține opriri.

Poate echipamentul de cianurare să gestioneze economic minereu cu grad scăzut?

Se poate, dar numai atunci când circuitul este proiectat în funcție de cinetica și profilul dvs. de consum. Operațiunile de calitate scăzută tind să fie sensibile la cheltuirea excesivă a reactivilor și timpul de nefuncționare, astfel încât sistemele de control, designul uzurii și gestionarea carbonului devin deosebit de importante.

Cum știu dacă am nevoie de CIP sau CIL?

Alegerea depinde de obicei de cinetica de leșiere și de cât de repede ar trebui capturat aurul dizolvat. Dacă aurul se dizolvă rapid și doriți capturarea imediată, CIL poate fi atractiv. Dacă leșierea beneficiază de separare înainte de adsorbție, CIP se poate potrivi mai bine. Testele metalurgice și constrângerile practice ale amplasamentului ar trebui să conducă decizia.

De ce consumul de cianură crește uneori brusc?

Cauzele obișnuite includ modificări ale mineralelor, controlul slab al pH-ului, limitarea neașteptată a oxigenului sau contaminarea apei de proces. Un plan de control bun plus puncte de eșantionare fiabile fac aceste vârfuri mai ușor de diagnosticat și corectate rapid.

Ce ar trebui să acord prioritate dacă site-ul meu este la distanță și are personal scurt?

Prioritizează mentenabilitatea și automatizarea care reduce manipularea manuală: ecrane durabile, aspect accesibil al echipamentului, piese de schimb standardizate, dozare interblocată și rutine de operare clare care nu se bazează pe „un singur operator expert”.


Învelire

CumpărareEchipamente de cianurareeste în cele din urmă despre reducerea incertitudinii. Chimia poate fi dovedită, dar profitabilitatea dvs. depinde de controlul consecvent, întreținerea practică și siguranța care funcționează în schimburi reale cu oameni reali. Dacă plănuiți o nouă fabrică sau modernizați un circuit existent, aduceți la masă realitățile de minereu, obiectivele de debit și constrângerile site-ului și insistați asupra unei propuneri care tratează cianurarea ca pe un sistem complet și controlabil.

Sunteți gata să vă transformați planul de cianurare într-o operațiune fiabilă, stabilă la costuri?Partajați tipul de minereu, capacitatea țintă și condițiile site-ului șicontactaţi-nepentru a discuta despre o configurație practică a echipamentului care se potrivește instalației dvs. și operatorilor dvs.

Trimite o anchetă

X
Folosim cookie-uri pentru a vă oferi o experiență de navigare mai bună, pentru a analiza traficul site-ului și pentru a personaliza conținutul. Prin utilizarea acestui site, sunteți de acord cu utilizarea cookie-urilor. Politica de confidențialitate